Якорные цепи

 

Якорная цепь корабля, звено Кентера, скоба концевая, смычка якорной цепи. Изготовление и ремонт  на заводе "Мальстрем"

 

ООО "Мальстрем" предлагает Вам со склада Санкт-Петербурга всегда в большом количестве: якорные цепи; комплектующие к якорным цепям калибров от 16 до 82, второй категории прочности; цепи для леерных ограждений.

Якорные цепи служат для соединения якорей с корпусом судна. Классификация якорных цепей происходит по калибру, по конструкции звеньев, по способу изготовления звеньев.

Их калибр определяется диаметром стали, из которой изготовлены звенья.
Якорные цепи корабля различаются по конструкции звеньев. Они состоят либо из звеньев с распорками (контрфорсами) либо без распорок.

На кораблях и судах военно-морского флота применяются только якорные цепи с распорками. Контрфорсы увеличивают прочность якорной цепи примерно на 20% и не дают звеньям возможности повернуться так, чтобы растягивающие усилия были направлены вдоль малой (поперечной) их оси.

Якорные цепи состоят из смычек. Это сделано для того, чтобы в случае необходимости заменять только поврежденную смычку якорной цепи, не касаясь всего изделия. В зависимости от занимаемого положения в якорной цепи смычки имеют специальное наименование. Якорная смычка обращена к якорю. Коренная смычка обращена к специальному устройству — жвака-галсу, соединяющему якорную цепь с корпусом корабля. Промежуточные смычки находятся между якорной и коренной смычками. Длина якорной цепи определяется количеством промежуточных смычек. Стандартная длина смычки якорных цепей от 23 до 25—27 м.

В каждую якорную цепь включаются также якорная скоба и два вертлюга.

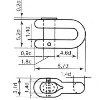
Якорная скоба концевая служит для соединения якорной цепи с якорем. По своим размерам якорная скоба несколько больше скобы якоря. Она состоит из собственно скобы, концы которой утолщены и имеют коническое отверстие для штыря. Один из концов скобы имеет второе коническое отверстие, перпендикулярное первому, для чеки, удерживающей штырь от выпадания из скобы. При сборке скоба закладывается в концевое звено якорной цепи так, чтобы своей закругленной частью она была обращена к скобе якоря.

Вертлюг служит для предупреждения закручивания якорной цепи при разворачивании корабля, стоящего на якоре.

Якорные цепи для кораблей различного водоизмещения бывают разной длины — от четырех смычек (92 м) до двенадцати (276 м). Количество смычек и калибр якорных цепей, которыми снабжается корабль, зависят от его водоизмещения.