Скоба концевая

Заявка на Скоба концевая
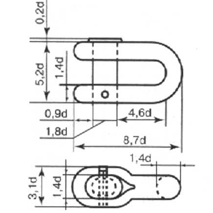
Характеристики
Калибр:
16-82
Категория прочности:
Вторая категория прочности

Коллектив ООО "Мальстрем" более 12 лет работает в области технического судового снабжения судоремонтных предприятий России, стран ближнего и дальнего зарубежья: цепями для якорей и судовыми якорями